Unlock Efficiency: AMF Panel Wiring Diagram PDF for Seamless Power Management

Unlock Efficiency: AMF Panel Wiring Diagram PDF for Seamless Power Management

Unlock Efficiency: AMF Panel Wiring Diagram PDF for Seamless Power Management

"Unlock Efficiency: AMF Panel Wiring Diagram PDF for Seamless Power Management"

Master AMF panel wiring effortlessly with our detailed diagram PDF. Streamline installation and take control of your power management.

Embark on a journey of seamless power control with our comprehensive AMF Panel Wiring Diagram PDF. In the realm of electrical systems, precision is paramount, and our meticulously crafted guide ensures a foolproof approach to wiring your AMF panel. Whether you're a seasoned technician or a novice enthusiast, our step-by-step instructions pave the way for a hassle-free installation process. Dive into the intricacies of power management as we demystify the complexities, providing clarity and confidence at every junction. Discover the art of precision with our guide, transforming the seemingly intricate task of wiring into a streamlined and efficient endeavor. Trust in the power of knowledge as we unravel the mysteries of AMF panel wiring, empowering you to take control of your electrical systems effortlessly.

1. Introduction: Understanding the Significance of AMF Panel Wiring Diagrams 2. Overview of AMF Panels: A Brief Explanation of Automatic Mains Failure Systems 3. Key Components: Unveiling the Fundamental Elements of AMF Panels 4. Wiring Basics: Delving into the Foundation of AMF Panel Wiring 5. Safety Precautions: Prioritizing Security Measures in the Wiring Process 6. Step-by-Step Wiring Guide: A Systematic Approach for Efficient Installation 7. Integration with Power Sources: Ensuring Seamless Connection for Uninterrupted Power Supply 8. Troubleshooting Techniques: Addressing Common Issues in AMF Panel Wiring 9. Optimizing Performance: Fine-Tuning the AMF Panel for Maximum Efficiency 10. Advanced Tips: Enhancing Your Expertise in AMF Panel Wiring with Proven Strategies

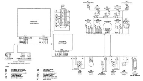
AMF Panel Wiring Diagram

Introduction

Welcome to the intricate world of Automatic Mains Failure (AMF) panels, where precision in wiring is the key to uninterrupted power supply. In this comprehensive guide, we'll delve into the essential aspects of AMF panel wiring, providing step-by-step instructions to empower both beginners and seasoned technicians.

Understanding AMF Panels

Before we dive into the wiring intricacies, let's establish a solid foundation by understanding the significance of AMF panels. These systems play a crucial role in seamlessly transitioning between mains and generator power, ensuring a continuous and reliable electricity supply.

Key Components Unveiled

Explore the heart of AMF panels as we unveil the key components that make these systems tick. From control modules to sensors, each element has a specific role in the overall functionality of the AMF panel. Understanding these components is fundamental to successful wiring.

Foundations of Wiring

Now, let's get down to the basics. This section will guide you through the fundamental principles of AMF panel wiring. From connecting power sources to establishing the initial circuitry, a strong foundation is crucial for the efficient performance of the entire system.

Ensuring Safety Precautions

Safety first! As we delve into the wiring process, it's imperative to prioritize safety measures. This section outlines essential precautions to be taken during installation, ensuring a secure environment for both the installer and the longevity of the AMF panel.

Step-by-Step Wiring Guide

Embark on a systematic journey with our detailed step-by-step wiring guide. Whether you're a novice or an experienced technician, this guide will lead you through the intricacies of AMF panel wiring, providing clarity at every stage of the installation process.

Integration with Power Sources

Discover the seamless connection between AMF panels and power sources. This section delves into the intricacies of integrating the panel with mains and generator power, ensuring a smooth transition and uninterrupted electricity supply in case of mains failure.

Troubleshooting Techniques

Even with meticulous wiring, issues may arise. Fear not! This section equips you with troubleshooting techniques to address common problems effectively. Learn to identify and resolve issues, ensuring the continued optimal performance of your AMF panel.

Optimizing Performance

Fine-tune your expertise with tips on optimizing the performance of your AMF panel. From regular maintenance to performance enhancements, this section provides insights to keep your system running at its best, ensuring reliability in critical scenarios.

Advanced Tips for Mastery

For those seeking mastery in AMF panel wiring, this section offers advanced tips and strategies. Enhance your understanding, troubleshoot efficiently, and elevate your expertise to ensure that your AMF panel operates seamlessly, even in the most demanding situations.

Welcome to the World of AMF Panel Wiring: A Comprehensive Guide

Automatic Mains Failure (AMF) panels stand as guardians of uninterrupted power supply, seamlessly transitioning between mains and generator power. In this comprehensive guide, we will navigate through the intricacies of AMF panel wiring diagram PDF, providing a step-by-step journey for both beginners and seasoned technicians. Let's embark on this exploration, ensuring a thorough understanding of the fundamental principles and components that contribute to the flawless operation of AMF panels.

Understanding the Significance of AMF Panels

AMF panels play a pivotal role in maintaining a continuous and reliable electricity supply. Imagine a scenario where the mains power falters�AMF panels seamlessly take over, ensuring a swift transition to generator power. This ensures that critical systems remain operational, making AMF panels indispensable in various industries. To grasp the intricacies of wiring, it's crucial to understand the significance of these panels in the larger context of power management.

Unveiling the Key Components of AMF Panels

At the heart of every AMF panel lies a set of key components that orchestrates its functioning. Control modules, sensors, and switches work in harmony to detect mains failure and initiate the generator seamlessly. Delving into the specifics of these components is essential for successful wiring. Familiarizing yourself with the roles each component plays contributes to a clearer understanding of the wiring process.

Mastering the Basics of AMF Panel Wiring

To begin our journey into the world of AMF panel wiring, it's essential to grasp the fundamental principles. This involves understanding the basics of electrical circuits, identifying the main and generator power sources, and establishing the initial connections. Think of this phase as laying the groundwork for the entire system. A solid foundation ensures a smooth and efficient wiring process, setting the stage for optimal performance.

Prioritizing Safety Measures

As we delve into the intricacies of AMF panel wiring diagram PDF, safety becomes a paramount concern. Ensuring the safety of both the installer and the longevity of the panel is non-negotiable. Before diving into the wiring process, it's crucial to follow safety precautions meticulously. This includes disconnecting power sources, using appropriate personal protective equipment, and adhering to industry-specific safety guidelines. Prioritizing safety sets the stage for a secure environment during installation.

A Step-by-Step Guide to AMF Panel Wiring

Armed with an understanding of the basics and a commitment to safety, it's time to embark on the actual wiring process. Our step-by-step guide simplifies the complexities, offering clear instructions for each stage of the installation. From connecting control modules to establishing sensor circuits, every step is detailed to ensure a foolproof wiring process. This section serves as a roadmap, guiding both beginners and experienced technicians through the intricacies of AMF panel wiring.

Integrating AMF Panels with Power Sources

One of the critical aspects of AMF panel wiring involves seamlessly integrating the panel with mains and generator power sources. Understanding how the panel interacts with these sources ensures a smooth transition during power fluctuations. This section explores the intricacies of connection points, ensuring that the AMF panel can swiftly detect mains failure and initiate the generator to maintain an uninterrupted power supply. Mastery of this integration is key to the reliability of the entire system.

Troubleshooting Techniques for Common Issues

Even with meticulous wiring, occasional issues may arise. It's essential to be equipped with troubleshooting techniques to identify and resolve common problems promptly. This section highlights potential challenges that may occur in the AMF panel system and provides practical solutions. From sensor malfunctions to circuit disruptions, understanding how to troubleshoot ensures the sustained optimal performance of the AMF panel in real-world scenarios.

Optimizing AMF Panel Performance

Beyond the initial installation and troubleshooting, it's crucial to focus on optimizing the ongoing performance of the AMF panel. Regular maintenance, monitoring, and performance enhancements contribute to the longevity and efficiency of the system. This section provides insights into best practices for keeping the panel in top-notch condition. By implementing these optimization techniques, you ensure that your AMF panel is always ready to perform at its best when called upon.

Advanced Tips for Mastery in AMF Panel Wiring

For those seeking to elevate their expertise in AMF panel wiring, this section offers advanced tips and strategies. From in-depth diagnostics to advanced circuitry configurations, these tips are designed to challenge and expand your understanding. Mastery in AMF panel wiring not only ensures efficient operation but also positions you as an expert in the field. Embrace these advanced tips to take your skills to the next level and navigate the complexities of power management with confidence.

Conclusion: Empowering You in AMF Panel Wiring

In conclusion, AMF panel wiring diagram PDF serves as your comprehensive guide to mastering the intricacies of these critical systems. From understanding the significance of AMF panels to navigating the step-by-step wiring process and troubleshooting common issues, this guide empowers both beginners and experienced technicians. By prioritizing safety, integrating power sources seamlessly, and optimizing performance, you ensure that your AMF panel operates flawlessly, providing a reliable and uninterrupted power supply when it matters most.

1. Introduction: In the realm of electrical systems, the AMF panel wiring diagram PDF stands as a cornerstone for seamless power management.Essential Knowledge: Mastering the intricacies of AMF panel wiring is imperative for professionals in the field of electrical engineering and maintenance.Critical Role: AMF panels play a critical role in ensuring uninterrupted power supply, making their proper wiring a matter of utmost importance.Professional Responsibility: Professionals in the electrical industry shoulder the responsibility of understanding, implementing, and maintaining AMF panel wiring to guarantee optimal performance.Foundational Understanding: A solid understanding of the wiring diagram is the foundation upon which professionals build their expertise in managing power systems.Strategic Approach: Professionals approach AMF panel wiring with a strategic mindset, carefully following the step-by-step instructions to ensure accuracy and reliability.Safety Protocols: Adherence to safety protocols is non-negotiable, reflecting the commitment of professionals to creating secure working environments during installation.Efficient Installation: Professionals recognize that a meticulously wired AMF panel contributes to efficient installation and, consequently, sustained operational excellence.Problem Resolution: Equipped with troubleshooting skills, professionals can identify and resolve issues promptly, minimizing downtime and ensuring continuous functionality.Continuous Improvement: In the ever-evolving field of electrical engineering, professionals view the mastery of AMF panel wiring as a journey of continuous learning and improvement.

Thank you for joining us on this insightful exploration of AMF panel wiring diagram PDF. As you navigate the complexities of electrical systems, remember that a robust understanding of AMF panel wiring is not just a skill but a gateway to uninterrupted power supply. We've covered the essentials�from the significance of AMF panels to the step-by-step guide for efficient wiring. Now, as we conclude, let's reflect on the key takeaways from our journey together.

AMF panel wiring is not just a technical process; it's a responsibility shouldered by professionals in the electrical industry. The critical role these panels play in ensuring a seamless transition between mains and generator power cannot be overstated. As you apply the knowledge gained from this guide, remember that each connection you make contributes to the reliability of the entire power system. Safety, precision, and a strategic approach are your allies in this journey.

In your pursuit of mastery in AMF panel wiring, consider this guide as a valuable resource. Whether you are a novice or a seasoned professional, the step-by-step instructions, safety precautions, and troubleshooting techniques provided here are designed to empower you. Continuous improvement is the hallmark of success in the dynamic field of electrical engineering, and your commitment to understanding and implementing AMF panel wiring sets you on a path towards excellence.

Q & A about Unlock Efficiency: AMF Panel Wiring Diagram PDF for Seamless Power Management :

1. How does an AMF panel work? AMF panels work by automatically switching between mains and generator power in the event of a mains failure. The wiring diagram guides the electrical connections that enable this seamless transition.

2. What are the key components in an AMF panel? The key components include control modules, sensors, and switches. These elements work together to detect mains failure, trigger the generator, and maintain an uninterrupted power supply.

3. Is it necessary to follow a specific wiring diagram? Yes, it's crucial to follow the AMF panel wiring diagram PDF precisely. The diagram provides a systematic guide for connecting components, ensuring the proper functioning and reliability of the AMF panel.

4. Are there safety precautions during AMF panel wiring? Absolutely. Safety is paramount during AMF panel wiring. Professionals should always adhere to safety protocols, including proper equipment use, disconnecting power sources, and following industry-specific guidelines to create a secure working environment.

5. Can beginners follow the wiring diagram? Yes, the step-by-step instructions in the wiring diagram are designed for both beginners and seasoned technicians. Following the guide ensures a systematic and error-free approach to AMF panel wiring.

Wiring Diagram, Safety precautions, AMF panel, power management, electrical systems, seamless transition

Comments

Popular posts from this blog

Unlock the Power: Single Phase Motor Wiring Diagram Demystified!

Master Your Drive: Ultimate Electric Golf Cart Wiring Diagram Guide

⚡🚘Green Mountain Grill Wiring Diagram⭐